广东省肇庆方大气动有限公司
全国服务热线
销售热线:
0758-2700399
                    
19902381988
技术咨询:
0758-2727933

广东省肇庆方大气动有限公司Zhaoqing Fangda pneumatic Co.,LTD.

    产品分类

    联系方大

    974986
    销售热线: 0758-2700399
    技术咨询: 0758-2727933
    手机:19902381988
     客服QQ:
    地址:广东省肇庆市端州区黄岗街道端州一路88号



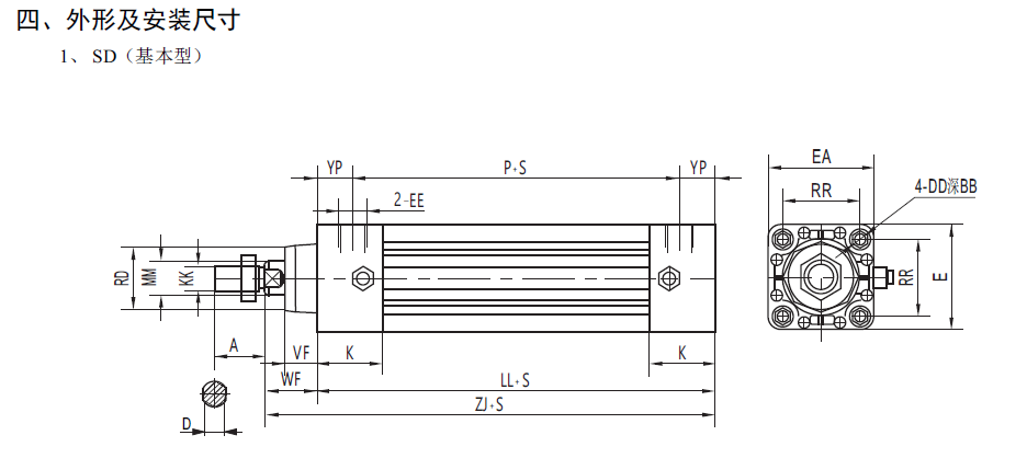
    【产品名称】10C-5系列无拉杆气缸

    【种类】 气缸   

    【动作方式】   

    【缸径】 32~100(mm)  

    【标准行程】5~2000(mm) 



     






    广东省肇庆方大气动有限公司 版权所有 备案号:粤ICP备5201314号​